PRO консультанты
Профессиональный подбор оборудования и аксессуаров
Большой ассортимент
Клинингового оборудования, аксессуаров и запчастей
Сервисная служба
Сервис и обслуживание по всей России
Доставка по России
Доставляем по России - оперативно в любую точку
Описание
Отзывы
Описание
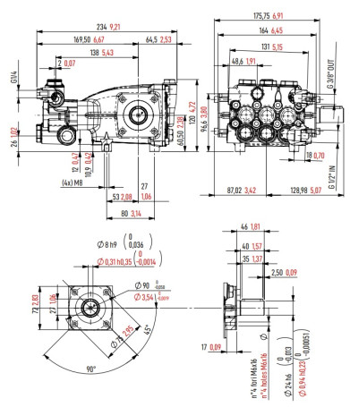
Насосы серии PMD-CW - трехпоршневые промышленные насосы высокого давления с шатунно-кривошипной системой. Высокая производительность, минимальное обслуживание и надежность гарантируются качественными материалами, которые обеспечивают долгий срок службы.
Особенности:
- Увеличенные и отшлифованные направляющие поршневые штоки для уменьшения трения при скольжении и лучшего масляного уплотнения
- Увеличенный вал с выводом для лучшей передачи крутящего момента
- Толстые керамические поршни для увеличения срока службы
- Всасывающий и нагнетательный клапаны с увеличенными проходами воды
- Увеличенные шатуны из специального антифрикционного сплава
- Головка насоса из никелированной латуни отличается высокой прочностью
- Система уплотнения с двойной прокладкой
- Шарикоподшипники
- Корпус насоса прочной конструкции
- U-образные уплотнения
Характеристики
Общие хар-ки
Бренд
Mazzoni
Страна бренда
Италия
Гарантия
1 год
Тип насоса
плунжерный
Габариты, ДхШхВ
25 × 20 × 20 см
Вес
7.5 кг
Материал
латунь
Диаметр вала насоса
24 мм
Технические хар-ки
Тип привода насоса
без привода
Рабочее давление (бар)
200
Частота вращения вала (об/мин)
1450
Поток воды (л/час)
840
Максимальная температура воды на входе (С°)
65
Мощность привода
4 кВт
Спец. особенности насоса
для моек самообслуживания
Тип вала насоса
внешний гладкий
Сторона выхода вала
правый
D отв. фланца насоса
75 мм
Встроенный регулятор
нет
Подключение (вход)
1/2" внутр
Подключение (выход)
3/8" внутр
Отзывов ещё нет — ваш может стать первым.
Все отзывы 0
Подборки товаров в категории


















