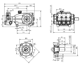
Плунжерный насос высокого давления Bertolini WJC U 210 относится к сегменту оборудования низкой мощности (до 2 л.с.) и она преимущественно предназначена для систем туманообразования (теплицы, охлаждение наружных пространств, подавления пыли и неприятных запахов, увлажнение, охлаждение помещений, в которых находятся скот и животные, создание спецэффектов и т.д.). Этот насос может устанавливаться непосредственно на электродвигатели со следующими характеристиками: 1450 об/мин, цилиндрический вал диам. 24 мм, размер IEC 90, 4-полюсные, фланец B14. Конструкция этого компактного, удобного в эксплуатации и нешумного насоса обеспечивает легкую замену изнашиваемых компонентов. Реверсивное исполнение позволяет быстро преобразовать насос из правостороннего в левосторонний.
PRO консультанты
Профессиональный подбор оборудования и аксессуаров
Большой ассортимент
Клинингового оборудования, аксессуаров и запчастей
Сервисная служба
Сервис и обслуживание по всей России
Доставка по России
Доставляем по России - оперативно в любую точку
Описание
Отзывы
Описание
Характеристики
Общие хар-ки
Технические хар-ки
Рабочее давление (бар)
100
Частота вращения вала (об/мин)
1450
Поток воды (л/час)
120
Максимальная температура воды на входе (С°)
40
Мощность привода
0.5 кВт
Тип вала насоса
полый гладкий
Сторона выхода вала
правый
Встроенный регулятор
нет
Подключение (вход)
3/8" внутр
Подключение (выход)
3/8" внутр
Отзывов ещё нет — ваш может стать первым.
Все отзывы 0
Подборки товаров в категории

















