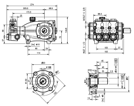
Плунжерный насос высокого давления Bertolini TML 1520-В - новая головка из толстой кованой латуни имеет полностью обновленный дизайн, который позволяет устанавливать новые клапаны и новые заглушки. Заборные и напорные клапаны из нержавеющей стали 316 являются коррозионностойкими и имеют высокую гидродинамическую эффективность, что значительно упрощает их обслуживание. Объемная эффективность гарантирует наивысший КПД.
Гильза поршня из нержавеющей стали прошла обработку Tenifer® для улучшения ее долговечности. Полностью керамические поршни высокого качества. Подшипники от ведущих производителей.
Увеличенная длина вала обеспечивает более прочное соединение со шкивом или валом двигателя. Новые цельные шатуны с переменным сечением и инновационной системой самосмазки. Новый картер и задняя крышка, размеры и конструкция которых рассчитаны для гарантии охлаждения в любых условиях применения.
Одно и то же уплотнение из армированного полимера для высокого и низкого давления. Уплотнения для высокого давления выполнены из специальной износостойкой смеси, а антиэкструзионное кольцо - из усиленного тефлона.
Вы получите уведомление о поступлении товара в продажу на указанные Вами контакты



























