PRO консультанты
Профессиональный подбор оборудования и аксессуаров
Большой ассортимент
Клинингового оборудования, аксессуаров и запчастей
Сервисная служба
Сервис и обслуживание по всей России
Доставка по России
Доставляем по России - оперативно в любую точку
Описание
Отзывы
Описание
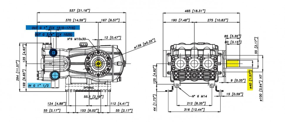
Плунжерный насос высокого давления с кривошипной передачей Bertolini CX 6521. Номинальное давление 210 бар, расход воды 66 л/мин, частота вращения вала 1000 об/мин. Гладкий вал 40мм, шпонка.
Комплектация
Документация
Характеристики
Общие хар-ки
Бренд
Страна бренда
Италия
Гарантия
1 год
Тип насоса
плунжерный
Габариты, ДхШхВ
537 × 465 × 294 мм
Вес
83 кг
Диаметр вала насоса
40 мм
Технические хар-ки
Рабочее давление (бар)
210
Частота вращения вала (об/мин)
1000
Поток воды (л/час)
3960
Максимальная температура воды на входе (С°)
60
Мощность привода
27 кВт
Тип вала насоса
внешний гладкий
Сторона выхода вала
правый
Встроенный регулятор
нет
Подключение (вход)
1 1/2" внутр
Подключение (выход)
3/4" внутр
Отзывов ещё нет — ваш может стать первым.
Все отзывы 0
Подборки товаров в категории

